
11.0 Introduction
One way to decide whether a system is electroquasistatic or
magnetoquasistatic is to consider the relative magnitudes of the
electric and magnetic energy storages. The subject of
this chapter therefore makes a natural transition from the quasistatic
laws to the complete set of electrodynamic laws. In the order
introduced in Chaps. 1 and 2, but now including polarization and
magnetization,
1 For polarized and magnetized media at
rest. these are Gauss' law [(6.2.1) and (6.2.3)]
Ampère's law (6.2.11),
Faraday's law (9.2.7),
and the magnetic flux continuity law (9.2.2).
Circuit theory describes the excitation of a two-terminal element
in terms of the voltage v applied between the terminals and the
current i into and out of the respective terminals. The power
supplied through the terminal pair is vi. One objective in this
chapter is to extend the concept of power flow in such a way that power
is thought to flow throughout space, and is not associated only with
current flow into and out of terminals. The basis for this extension
is the laws of electrodynamics, (1)-(4).
Even if a system can be represented by a circuit, the need for
the generalization of the circuit-theoretical power flow concept is
apparent if we try to understand how electrical energy is transferred
within, rather than between, circuit elements. The limitations of the
circuit viewpoint would be crucial to testimony of an expert witness
in litigation concerning the authority of the Federal Power
Commission
2Now the Federal Energy Regulatory
Commission. to
regulate power flowing between states. If the view is taken that
passage of current across a border is a prerequisite for power flow,
either of the devices shown in Fig. 11.0.1 might be installed at the
border to "launder" the power. In the first, the state line passes
through the air gap between capacitor plates, while in the second, it
separates the primary from the secondary in a
transformer.
3To be practical, the capacitor would be
constructed with an enormous number of interspersed plates, so that
in order to keep the state line in
the air gap, a gerrymandered border would be required. Contemplation
of the construction of a practical transformer, as described in Sec.
9.7, reveals that the state line would be even more difficult to
explain in the MQS case. In each case, the current never leaves the
state where it is generated. Yet in the examples shown, power
generated in one state can surely be consumed in another, and a
meaningful discussion of how this takes place must be based on a
broadened view of power flow.
Figure 11.0.1 If the border between two states
passes between the plates of a capacitor or between the windings of a
transformer, is there power flow that should be overseen by the
federal government?
From the circuit-theoretical viewpoint, energy storage and rate
of energy dissipation are assigned to circuit elements as a whole.
Power flowing through a terminal pair is expressed as the product of a
potential difference v between the terminals and the current i in
one terminal and out of the other. Thus, the terminal voltage v and
current i do provide a meaningful description of power flow into a
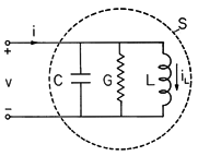
surface S that encloses the circuit shown in Fig. 11.0.2. The
surface S does not pass "inside" one of the elements.
Figure 11.0.2 Circuit used to review the
derivation of energy conservation statement for circuits.
Power Flow in a Circuit
For the circuit of Fig. 11.0.2,
Kirchhoff's laws combine with the terminal relations for the
capacitor, inductor, and resistor to give
Motivated by the objective to obtain a statement involving vi, we
multiply the first of these laws by the terminal voltage v. To
eliminate the term viL on the right, we also multiply the second
equation by iL. Thus, with the addition of the two relations, we
obtain
Because L and C are assumed to be constant, we can use the
relation udu = d( u2) to rewrite this expression as
where
With its origins solely in the circuit laws, (8) can be
regarded as giving no more information than inherent in the original
laws. However, it gives insights into the circuit dynamics that are
harbingers of what can be expected from the more general statement to
be derived in Sec. 11.1. These come from considering some extremes.
If the terminals are open (i = 0), and if the resistor is absent (G = 0), w is constant. Thus, the energy
w is conserved in this limiting case. The solution to the circuit
laws must lead to the conclusion that the sum of the electric
energy Cv2 and the magnetic energy LiL2
is constant.
Again, with G = 0, but now with a current supplied
to the terminals, (8) becomes
Because the right-hand side is a perfect time derivative, the
expression can be integrated to give
Regardless of the details of how the currents and voltage vary
with time, the time integral of the power vi is solely
a function of the initial and final total energies w. Thus, if
w were zero to begin with and vi were positive, at some
later time t, the total energy would be the positive value
given by (10). To remove the total energy from the inductor and
capacitor, vi must be reversed in sign until the integration
has reduced w to zero. Because the process is reversible, we
say that the energy w is stored in the capacitor and
inductor.
If the terminals are again open (i=0) but the resistor is present, (8) shows that the stored energy w must
decrease with time. Because Gv2 is positive, this process is not
reversible and we therefore say that the energy is dissipated in
the resistor.
In circuit theory terms, (8) is an example of an energy
conservation theorem. According to this theorem, electrical
energy is not conserved. Rather, of the electrical energy
supplied to the circuit at the rate vi, part is stored in the
capacitor and inductor and indeed conserved, and part is dissipated in
the resistor. The energy supplied to the resistor is not
conserved in electrical form. This energy is dissipated in heat and
becomes a new kind of energy, thermal energy.
Just as the circuit laws can be combined to describe the flow of
power between the circuit elements, so Maxwell's equations are the
basis for a field-theoretical view of power flow. The
reasoning that casts the circuit laws into a power flow statement
parallels that used in the next section to obtain the more general
field-theoretical law, so it is worthwhile to review how the circuit
laws are combined to obtain a statement describing power flow.
Overview
The energy conservation theorem derived in the next two
sections will also not be a conservation theorem in the sense
that electrical energy is conserved. Rather, in addition to
accounting for the storage of energy, it will include conversion of
energy into other forms as
well. Indeed, one of the main reasons for our interest in power flow
is the insight it gives into other subsystems of the physical world
[e.g. the thermodynamic, chemical, or mechanical subsystems].
This will be evident from the topics of subsequent sections.
The conservation of energy statement assumes as many special forms
as there are different constitutive laws. This is one
reason for pausing with Sec. 11.1 to summarize the integral and
differential forms of the conservation law, regardless of
the particular application. We shall reference these
expressions throughout the chapter. The derivation of Poynting's
theorem, in the first part of Sec. 11.2, is motivated by the form of
the general conservation theorem. As subsequent sections evolve, we
shall also make continued reference to this law in its general form.
By specializing the materials to Ohmic conductors with
linear polarization and magnetization constitutive laws, it is
possible to make a clear identification of the origins of electrical
energy storage and dissipation in media. Such systems are considered
in Sec. 11.3, where the flow of power from source to "sinks" of
thermal dissipation is illustrated. Processes of energy storage and
dissipation are developed in greater depth in Secs. 11.4 and 11.5.
Through Sec. 11.5, the assumption is that materials are at rest.
In Secs. 11.6 and 11.7, the power input is studied in the presence of
motion of materials. These sections illustrate how the energy
conservation law is used to determine electric and magnetic forces on
macroscopic media. The discussion in these sections is confined to a
determination of total forces. Consistent with the field theory point
of view is the concept of a distributed force per unit volume, a force
density. Rigorous derivations of macroscopic force densities are
based on energy arguments paralleling those of Secs. 11.6 and 11.7.
In Sec. 11.8, we shall look at microscopic models of force density
distributions that provide a picture of the origin of these
distributions. Finally, Sec. 11.9 is an introduction to the
macroscopic force densities needed to put electromechanical coupling
on a continuum basis.
|